

高溫合金金相組織檢驗項目介紹:凡在應力及高溫(一般指600~650攝氏度以上)同時作用下,具有長時間抗蠕變能力與高的持久強度和高的抗蝕性的金屬材料,稱為耐熱合金或高溫合金。常用的有鐵基合金、鎳基合金、鈷基合金,還有鉻基合金、鉬基合金及其他合金等。高溫合金是制造燃汽輪機、噴氣式發動機等高溫下工作零部件的重要材料。高溫合金金相分析的目的:1.原材料檢驗:對原材料的冶金質量情況如偏析、非金屬夾雜物分布類型與級別檢查;對鑄造材料的鑄造疏松、氣孔、夾渣組織均勻性檢查...

金相組織偏析是指金屬材料在冷卻或加熱過程中,由于組織結構的不均勻性而導致的成分偏離平衡狀態的現象。這種現象在金屬材料的制造和加工過程中十分常見,因此對于金相組織偏析的理解十分重要。金相組織偏析的原因主要是由于金屬材料在冷卻或加熱過程中,由于溫度梯度和組織結構的不均勻性,導致了成分在不同的區域中的擴散速率不同,從而導致了成分的偏離平衡狀態。這種現象在金屬材料的制造和加工過程中會對材料的性能產生很大的影響,因此需要引起足夠的重視。金相組織偏析主要表現為成分在不...

金相組織是金屬材料的顯微組織結構,是評價金屬材料性能的重要指標之一。在金屬加工過程中,過燒和過熱是常見的問題,會對金相組織產生影響。本文將詳細介紹過燒和過熱的區別及其對金相組織的影響。一、過燒和過熱的定義1. 過燒過燒是指金屬材料在加工過程中受到高溫作用而發生的局部熔化現象。通常情況下,過燒是由于加工溫度過高或加工速度過快導致的。過燒會使金屬材料的晶粒長大,晶界清晰度降低,從而降低金屬材料的強度和韌性。2. 過熱過熱是指金屬材料在加工過程中受到高溫作用而未...

這是一個經常被問到的問題。在材料科學領域,晶粒度是一個非常重要的參數,它可以影響材料的性能和應用。晶粒度越小,材料的強度和硬度通常會增加,但是這并不意味著晶粒度越小越好。在本文中,我們將探討晶粒度對材料性能的影響,并討論晶粒度大小的優缺點。首先,讓我們來了解一下什么是晶粒度。晶粒度是指材料中晶體的大小。晶體是由原子或分子組成的周期性排列結構,而晶粒是由許多晶體組成的。晶粒度通常用平均晶粒尺寸來表示。在材料科學中,通常使用金相顯微鏡或電子顯微鏡來觀察和測量晶...

晶粒度是鋼材中晶粒的尺寸,是鋼材性能的重要參數之一。晶粒度越小,鋼材的強度、韌性和塑性都會得到提高,而晶粒度越大,則會對鋼材的性能產生負面影響。因此,晶粒度對鋼材性能具有重要的影響。首先,晶粒度對鋼材的強度有影響。晶粒度越小,鋼材中的晶界面積就越多,晶界具有阻礙位錯運動的作用,因此可以提高鋼材的屈服強度和抗拉強度。此外,晶粒度越小,鋼材中的細小晶粒也可以增加鋼材的變形硬化能力,從而提高其強度。其次,晶粒度對鋼材的韌性也有影響。晶粒度越小,鋼材中的晶界就越多...

金屬和合金的晶粒度檢測是對材料的微觀結構進行評估的過程。晶粒度是指金屬和合金中晶粒(即晶體)的大小。晶粒度對材料的力學性能和加工性能有重要影響,因此對晶粒度的檢測具有重要意義。1. 晶粒度的重要性晶粒度是影響材料性能的關鍵因素之一。一般來說,細小的晶粒可以提高材料的強度、硬度和疲勞性能,但可能降低韌性。而較大的晶粒可以提高材料的韌性,但可能降低強度和硬度。因此,在制定合適的金屬和合金材料生產工藝時,晶粒度的控制十分重要。2. 晶粒度檢測方法2.1 金相檢測...

焊縫的宏觀金相檢驗在焊接工藝和質量控制中起著重要的作用。以下是進行宏觀金相檢驗的幾個主要原因:焊接接頭評估:宏觀金相檢驗可以提供對焊接接頭的結構和質量的直觀評估。通過觀察焊縫的形態、尺寸、幾何形狀和缺陷情況,可以評估焊縫的質量,包括焊縫的完整性、連續性和均勻性。這有助于確定焊接接頭是否符合設計和規范要求。缺陷檢測:宏觀金相檢驗可以幫助檢測焊縫中的各種缺陷,如氣孔、夾雜物、裂紋等。這些缺陷可能會對焊接接頭的強度、可靠性和耐久性產生負面影響。通過檢測和定位這些...

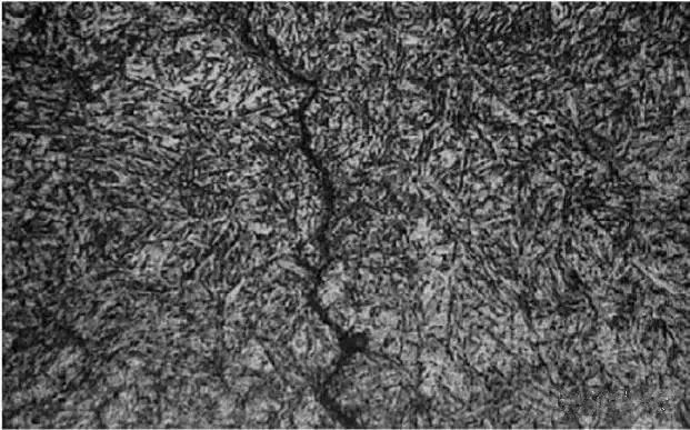
一、過燒概述過燒組織包括晶界局部熔化、顯微空洞,鋁合金表面發黑、氣泡及斷口呈灰色無光澤,鎂合金表面氧化瘤等。過燒組織使零件性能嚴重惡化,極易產生熱處理裂紋,所以過燒是不允許的熱處理缺陷。一旦出現過燒,整批零件只能報廢。因此,在熱處理生產中要嚴格防止出現過燒。二、過燒危害舉例圖1 W18Cr4V過燒組織 400X圖1所示為W18Cr4V鋼的淬火過燒組織,由灰白色隱針狀馬氏體和殘留奧氏體基體、沿晶界亮白色網狀碳化物及黑色托氏體組織。若淬火加熱溫度過高,不僅使碳...

1、金屬平均晶粒度【001】金屬平均晶粒度測定 … GB 6394-2002【010】鑄造鋁銅合金晶粒度測定…GB 10852-89【019】珠光體平均晶粒度測定…GB 6394-2002【062】金屬的平均晶粒度評級…ASTM E112【074】黑白相面積及晶粒度評級…BW 2003-01【149】彩色試樣圖像平均晶粒度測定…GB 6394-2002【304】鎢、鉬及其合金的燒結坯條、棒材晶粒度測試方法(面積法)【305】鎢、鉬及其合金的燒結坯條、棒材晶...

GB/T 13925-2010中文名稱:鑄造高錳鋼金相英文名稱:Metallographs for high manganese cast steel發布日期 :2010-12-23廢止日期 :無實施日期 :2011-06-01頁 數 :12頁中國標準分類 : [J31] 加工工藝國際標準分類 : [77.040.01] 金屬材料試驗綜合GB/T 13925-2010適用范圍 :本標準規定了鑄造高錳鋼金相取樣方法和顯微組織以及碳化物、晶粒度和非金屬夾雜物級...

JB/T 9205-2008中文名稱:珠光體球墨鑄鐵零件感應淬火金相檢驗英文名稱:Metallographic examination of pearlitic graphite cast iron parts induction hardened發布日期 :2008-06-04廢止日期 :無實施日期 :2008-11-01頁 數 :9頁中國標準分類 : [J36] 加工工藝國際標準分類 : [25.200] 熱處理JB/T 9205-2008適用范圍 ...

GB/T 9451-2005中文名稱:鋼件薄表面總硬化層深度或有效硬化層深度的測定英文名稱:Determination of total or effective thickness of thin surface hardened layers of steel parts發布日期 :2005-07-21廢止日期 :無實施日期 :2006-01-01頁 數 :7頁中國標準分類 : [J36] 加工工藝國際標準分類 : [25.200] 熱處理GB/T ...